
SAKSALAISTA SOTILASRADIOTEKNIIKKAA
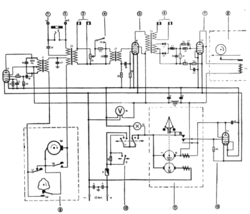
HELLSCHREIBER-kenttäkaukokirjoitin vuodelta 1940. Kytkentäkaavio
|
|
| Kuvan kytkentäkaavio on periaatteellinen. Siitä on jätetty pois mm. moottorigeneraattorin häiriönpoistoelimet ja 12-napaisen liittimen kytkennät. Äänijaksovärähdin (putki vasemmalla) on viritetty kiinteästi 900j/s taajuudelle. Muuntajan avulla johdetaan lähettimen virtapiirin äänijaksovärähtely, jota katkotaan lähettimessä kirjainmerkin tahdissa. Katkottu äänijaksovärähtely johdetaan muuntajan välityksellä johtoruuveihin ja niistä edelleen vastaanottimeen. Vastaanotossa samoista koskettimista tuleva signaali johdetaan muuntajan läpi vastaanottovahvistimeen. Muuntajan toisiopuolella on ulosotot ja koskettimet myös radiovastaanottoa varten sekä voimakkuussäädin. Keskellä olevan muuntajan läpi signaali siirtyy aluksi putkivahvistimeen ja sen jälkeen taas muuntajan läpi kuivatasasuuntaajalle, jossa ne tasasuunnataan. Tasasuunnatut pulssit aiheuttavat muutoksia viimeisen putken anodijännitteessä, joka on sarjassa magneetin käämin kanssa saaden aikaan magneetin ankkurin liikkeen ja merkkiviivan painalluksen. Alhaalla oleva putki säätää keskipakoiskytkinten antaman tiedon perusteella sähkömoottorin kierrosnopeutta. |
Copyright Antero Tanninen OH1KW 2002